一、工作原理
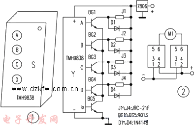
電路如附圖所示:S為四位無線遙控發射器,Y為與發射器配對的接收模塊。Y的各輸出端經BG1~BG5放大后,將四路互鎖存數據控制輸出端信號轉換成非鎖存形式,并通過繼電器J1~J4對電機M1、M2進行正反控制。M1控制主音量,M2控制高低音調。見圖1所示,其中電機M2電路相同,工作原理一樣,所以未繪出。當按下發射器S的A鍵時,Y的輸出端A和Io端輸出高電平,BG1和BG5導通。J1吸合,M1得電工作,手松開后,Io輸出消失,J1斷電電機M1釋放停轉。同樣,按下B、C、D鍵時,分別控制M1、M2反轉、正轉、反轉。
音響音量遙控電路原理圖
電路重點在于繼電器的連接,工作過程如圖2所示:繼電器觸點①、③常閉,②、⑥常開,⑤、⑥相通,③、④是線圈。把J1、J2或J3、J4組合構成電機的正反電路,J1、J2的①端相連接地,②端相連接電源。當按下A鍵時,J1吸合,①、⑤端斷開,②、⑥端導通,電源經②、⑥端和電機M1到J2的⑥、⑤、①端接地電機正轉,放大器音量增加。同樣,按下B鍵時,J2吸合,②、⑥端吸合,電源經J2的②、⑥端和M1到⑥、⑤、①端接地,電機反轉,放大器音量下降。M2、J3、J4的工作原理相同。
二、元件的選擇和制作
A1、A2選用達華的TMH9838的6V四位無線電編碼遙控組件。V1~V5選用9013或其它硅NPN三極管,D1~D4用1W4148開關二極管,J1~J4采用6V的JRC-21F型小型電磁繼電器,馬達電位器可選用雙聯的,阻值根據自己功率電位器來選擇。本人選用的是日本的拆機品,價格只有新品的盳盢,大大降低了制作成本。如原機功率足夠可取原機電源。此電路功耗很小,對功放沒有什么影響。
自從裝入該電路后,本人再也不用經常離坐調音了,可安坐其中,盡享優美的旋律,真是好不自在。


返回頂部
刷新頁面
下到頁底