本文章是運用S7-200SMART PLC MODBUS RTU庫指令與MCGS觸摸屏基本操作的應用,通過本文章來讓大家對于MODBUS RTU庫指令通信的理解與應用以及MCGS觸摸屏基礎應用。
02設備配置1.海浦蒙特HD20變頻器一臺
2.S7-200SMART PLC ST40一臺
3.485通訊線一根
4.一臺電機
5.MCGS TPC1570Gi觸摸屏一臺
03控制要求S7-200SMART PLC與海浦蒙特HD20變頻器MODBUS RTU通訊控制變頻器與如何在觸摸屏啟動、停止、正轉、反轉、寫頻率以及讀取電流和電壓。
04接線說明-
電源接L1與L3N(220V)、電源L1/L2/L3N(380V)
2.使用RJ45網線水晶頭來根據如下圖所示來接線,對于PLC是3正8負,變頻器是2正和7負。
05設置變頻器參數F00.10設置為2(頻率通信給定2)
F00.11設置為2(命令通信給定2)
F17.00設置為1(1個停止位、8個數據位、偶校驗、)
F17.01設置為3(波特率9600)
F17.02設置為2(變頻器站地址2)
06編寫PLC程序第一步:(上電初始化所使用到的M地址)
第二步:(使用初始化指令完成位來激活MSG指令)
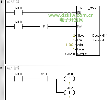
第三步:(設置寫入控制命令MSG指令)
EN使能端使用M1.0接通
First:激活端使用M1.0加上升沿激活
RW:填寫1寫入
ADDR:填寫412801(PLC MODBUS RTU起始寄存地址40001和變頻器控制命令字0x3200,0x表示16進制換算成十進制12800并相加等于412801)
Count:使用地址數,填寫1
DataPtr:存放地址,填寫&VB200即VW200開始的地址
Done:完成位,位地址,填寫M1.1
Error:錯誤位,填寫MB3
程序段5使用輪詢的方式來做,當M1.0接通,完成位M1.1接通復位M1.0并置位下一條MSG指令M1.2。
第四步:(設置寫入頻率令MSG指令)
EN使能端使用M1.2接通
First:激活端使用M1.2加上升沿激活
RW:填寫1寫入
ADDR:填寫412802(PLC MODBUS RTU起始寄存地址40001和變頻器控制命令字0x3201,0x表示16進制換算成十進制12801并相加等于412802)
Count:使用地址數,填寫1
DataPtr:存放地址,填寫&VB202即VW202開始的地址
Done:完成位,位地址,填寫M1.3
Error:錯誤位,填寫MB4
程序段7使用輪詢的方式來做,當M1.2接通,完成位M1.3接通復位M1.2并置位下一條MSG指令M1.5。
第五步:(設置讀取輸出電壓MSG指令)
EN使能端使用M1.5接通
First:激活端使用M1.5加上升沿激活
RW:填寫0讀取
ADDR:填寫413077(PLC MODBUS RTU起始寄存地址40001和變頻器控制命令字0x3314,0x表示16進制換算成十進制13076并相加等于413077)
Count:使用地址數,填寫1
DataPtr:存放地址,填寫&VB204即VW204開始的地址
Done:完成位,位地址,填寫M1.4
Error:錯誤位,填寫MB5
程序段7使用輪詢的方式來做,當M1.5接通,完成位M1.4接通復位M1.5并置位下一條MSG指令M13.0。
第六步:(設置讀取輸出電流MSG指令)
EN使能端使用M3.0接通
First:激活端使用M3.0加上升沿激活
RW:填寫0讀取
ADDR:填寫413078(PLC MODBUS RTU起始寄存地址40001和變頻器控制命令字0x3315,0x表示16進制換算成十進制13077并相加等于413078)
Count:使用地址數,填寫1
DataPtr:存放地址,填寫&VB206即VW206開始的地址
Done:完成位,位地址,填寫M2.0
Error:錯誤位,填寫MB10
程序段7使用輪詢的方式來做,當M3.0接通,完成位M2.0接通復位M3.0并置位下一條MSG指令M1.0。
第七步:(使用觸點控制變頻器啟動、停止、正轉、反轉、寫頻率)
07MCGS組態配置第一步:(選擇實際觸摸屏對應的型號,這里我是TPC1570Gi這款型號,大家可以根據自己實際觸摸屏型號來選擇。)
第二步:(設備窗口—通用TCP父設備—基本屬性)
本地IP地址:192.168.0.55(觸摸屏IP地址)
遠程IP地址:192.168.0.145(PLC IP地址)
第三步:(設備PLC屬性填寫PLC地址變量)
第四步:(窗口—使用大寫A文字標簽設計一個標題)
第五步:(使用大寫A標簽設計類似于威綸通數顯的功能并關聯PLC地址)
第六步:(標準按鈕—基本屬性—設置名稱—操作屬性—關聯PLC地址)
第七步:(設計完成)
08演示效果溫馨提醒:
1.由于西門子200系列不支持2個停止位,所以在選擇變頻器通信格式的時候要注意,否則通信不上去。
2.西門子S7-200SMART PLC寄存器地址是可以擴展到最大400001,所以在ADDR引腳填寫超過40001的地址。
此時此刻S7-200SMART PLC與海浦蒙特HD20變頻器MODBUS RTU通訊控制變頻器與如何在觸摸屏啟動、停止、正轉、反轉、寫頻率以及讀取電流和電壓已編寫完成,大家都理解并且掌握了嗎?可以在上述文章找答案!


返回頂部
刷新頁面
下到頁底