我們學習PLC課程上機實驗的時候,往往是用一個發光二極管代替步進電機,通過發光二極管的亮滅代表步進電機正轉和反轉,實際接線中往往出錯,今天就簡單介紹一下;
1 1.1 PLC型號的選擇我選擇的是三菱FX2N系列PLC,型號需要注意的是必須是MT型號,MR型號的PLC無法驅動電機;
1.2 I/O口分配這個控制相對簡單,直接見圖;
程序中可以通過修改D2數值,實現不同的轉速,需要注意數據范圍就好;
我們拿到步進電機,會看到有四根不同顏色的線,但是往往不清楚具體那兩根是同一相,這里說一個簡單的方法;拿起任意兩根線短接后,擰動步進電機軸,若是有一定阻力,表明短接的兩根線是同一相,若是和沒短接阻力一致,就表明短接的兩根不是同一相;
2.2 驅動器接線說明1、驅動器接線中使能端可以不接線,電源線接好后,其他的保證接成閉合回路就好;(往往電機不轉的原因,就是沒有將線接成閉合回路)
2、驅動器可以根據實際要求進行細分和電流控制,具體參考驅動器說明書;
PLSY是三菱PLC中的脈沖輸出指令;
其中:S1.表示輸出脈沖頻率或者其存儲地址
S2.表示輸出脈沖個數或者其存儲地址
D.指定脈沖輸出口,僅限Y0或者Y1(FX2N系列中)
解讀:當驅動成立時,從輸出口D中輸出脈沖,脈沖頻率是S1,脈沖個數是S2,占空比是二分之一的脈沖串,其中當S2的數值是0時,表示輸出無數個脈沖。
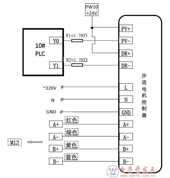
三菱PLC控制步進電機外部接線示意圖
上面說了一個三菱PLC控制步進電機,其中對PLC選型、I/O口分配、程序等進行了簡單的說明,現在補充一下外部接線,下面提供外部接線的示意圖。
需要準備的元器件1.適配的電源;
2.選型正確的PLC;
3.步進電機;
4.配套的步進電機驅動器。
布局沒整好,接線有點亂,特意用不同顏色進行連接,方便接線和檢查。
幾點說明1.針對上一個博客提到的電源類型和輸入端信號信號大小,這個要根據選擇的步進電機和步進電機驅動器適用的電源類型和范圍選定,不是限定的就是5V或者24V等,這里做統一解釋;
2.個人認為步進電機更適合做低速運行和定位控制,高速在使用過程中需要注意啟動轉矩、控制信號等問題,更需要考慮丟步的問題;
3.外部接線圖不局限于FX2NPLC,單需要注意PLC的輸出類型;
注意:有些步進電機驅動器的電源電壓為12v,這時就需要增加電阻進行限流,比如串聯1.2kΩ。如下圖:


返回頂部
刷新頁面
下到頁底