一、控制輸出程序
1.等效控制輸出
輸出僅取決于控制輸入現狀態。

2.長效控制輸出
控制輸出不完全取決于輸入的現狀態,還與輸入的歷史有關。輸入對輸出有長效作用。

3.短效控制輸出
它的控制輸出也不完全取決于輸入的現狀態。其輸入對輸出僅有短暫的作用,故稱短效輸出。

二、單按鈕起停程序
1.單按鈕即時起、停程序

a)OMRON PLC b)三菱 PLC c、d)西門子plc e)和利時PLC f)AB PLC
下圖所示程序也具有同樣的功能。只是這里用的是觸點先并后串。脈沖信號用微分指令生成。


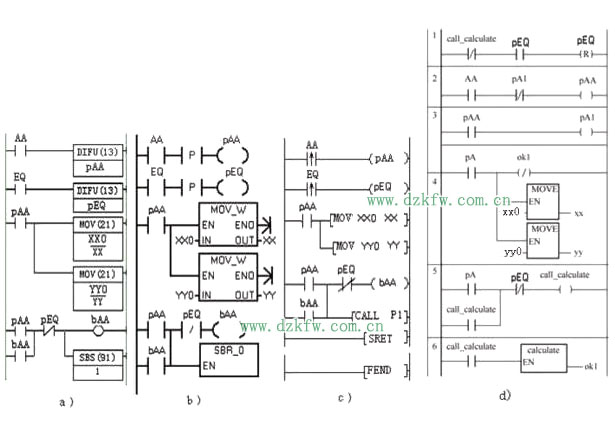
2.單按鈕短按起、長按(超過1s)停程序
上述單按鈕起、保、停梯形圖程序,是起、是停,容易“糊涂”。其實,完全可使用按鈕按下不同的時間,去區分是起還是停。

單按鈕短按起、長按(超過1秒)停程序
3.單按鈕長按(超過1s)起、短按停程序

a – OMRON PLC程序 b – 三菱 work2 軟件 PLC 程序
c – 施耐德 Unity Pro XL軟件PLC程序 d – 西門子 ST7軟件PLC 程序
單按鈕長按起(超過1秒)、短按停程序
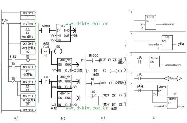
三、求公因數程序
求公因數歐幾里得的這個算法,如用表達式表達,則是:

a)OMRON PLC b)西門子PLC c)三菱 PLC d)和利時PLC
求兩個整數的公因數子程序
子程序,用以實現上述花括弧內的算法。

a)OMRON PLC b)西門子PLC c)三菱 PLC d)和利時PLC
求兩個整數的公因數主程序
主程序,用以實現上述花括弧外的算法。
結語
弄清以上問題不是目的,目的是從中能對PLC程序有較具體的認識。
本文只是為編程做準備,大家要根據問題再去學習相關算法,再在算法實例化中進一步熟悉基礎知識。這些過程反復循環,不斷提高,將使你的編程進入新的境界!


返回頂部
刷新頁面
下到頁底