plc梯形圖自鎖與互鎖功能編程實例
1、具有自鎖功能的程序
利用自身的常開觸點使線圈持續保持通電即“ON”狀態的功能稱為自鎖。
如圖1所示的起動、保持和停止程序(簡稱起保停程序)就是典型的具有自鎖功能的梯形圖, X1為起動信號和X2為停止信號。
圖1 起保停程序與時序圖
a)停止優先 b)起動優先
圖1a為停止優先程序,即當X1和X2同時接通,則Y1斷開。
圖1b為起動優先程序,即當X1和X2同時接通,則Y1接通。起保停程序也可以用置位(SET)和復位(RST)指令來實現。在實際應用中,起動信號和停止信號可能由多個觸點組成的串、并聯電路提供。
2、具有互鎖功能的程序
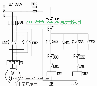
利用兩個或多個常閉觸點來保證線圈不會同時通電的功能成為“互鎖”。三相異步電動機的正反轉控制電路即為典型的互鎖電路,如圖2所示。其中KMl和KM2分別是控制正轉運行和反轉運行的交流接觸器。
圖2 三相異步電動機的正反轉控制電路
如圖3所示為采用plc控制三相異步電動機正反轉的外部I/O接線圖和梯形圖。實現正反轉控制功能的梯形圖是由兩個起保停的梯形圖再加上兩者之間的互鎖觸點構成。
圖3 用PLC控制電動機正反轉的I/O接線圖和梯形圖
注意,雖然在梯形圖中已經有了軟繼電器的互鎖觸點(X1與X0、Y1與Y0),但在I/O接線圖的輸出電路中還必須使用KM1、KM2的常閉觸點進行硬件互鎖。因為PLC軟繼電器互鎖只相差一個掃描周期,而外部硬件接觸器觸點的斷開時間往往大于一個掃描周期,來不及響應,且觸點的斷開時間一般較閉合時間長。例如Y0雖然斷開,可能KM1的觸點還未斷開,在沒有外部硬件互鎖的情況下,KM2的觸點可能接通,引起主電路短路,因此必須采用軟硬件雙重互鎖。采用了雙重互鎖,同時也避免因接觸器KM1或KM2的主觸點熔焊引起電動機主電路短路。


返回頂部
刷新頁面
下到頁底