在電子電路中,電源、放大、振蕩和調制電路被稱為模擬電子電路,因為它們加工和處理的是連續變化的模擬信號。
1. 反饋
反饋是指把輸出的變化通過某種方式送到輸入端,作為輸入的一部分。如果送回部分和原來的輸入部分是相減的,就是負反饋。
2. 耦合
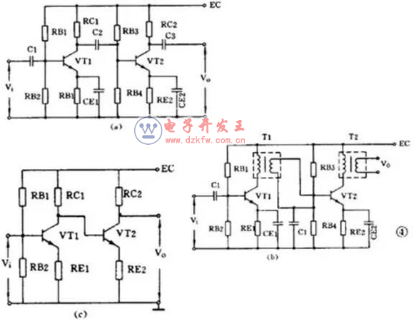
一個放大器通常有好幾級,級與級之間的聯系就稱為耦合。放大器的級間耦合方式有三種:
①RC 耦合(見圖a): 優點是簡單、成本低。但性能不是最佳。
② 變壓器耦合(見圖b):優點是阻抗匹配好、輸出功率和效率高,但變壓器制作比較麻煩。

③ 直接耦合(見圖c): 優點是頻帶寬,可作直流放大器使用,但前后級工作有牽制,穩定性差,設計制作較麻煩。
3. 功率放大器
能把輸入信號放大并向負載提供足夠大的功率的放大器叫功率放大器。例如收音機的末級放大器就是功率放大器。
3.1 甲類單管功率放大器

負載電阻是低阻抗的揚聲器,用變壓器可以起阻抗變換作用,使負載得到較大的功率。
這個電路不管有沒有輸入信號,晶體管始終處于導通狀態,靜態電流比較大,困此集電極損耗較大,效率不高,大約只有 35 %。這種工作狀態被稱為甲類工作狀態。這種電路一般用在功率不太大的場合,它的輸入方式可以是變壓器耦合也可以是 RC 耦合。
3.2 乙類推挽功率放大器
下圖是常用的乙類推挽功率放大電路。

它由兩個特性相同的晶體管組成對稱電路,在沒有輸入信號時,每個管子都處于截止狀態,靜態電流幾乎是零,只有在有信號輸入時管子才導通,這種狀態稱為乙類工作狀態。當輸入信號是正弦波時,正半周時 VT1 導通 VT2 截止,負半周時 VT2 導通 VT1 截止。兩個管子交替出現的電流在輸出變壓器中合成,使負載上得到純正的正弦波。這種兩管交替工作的形式叫做推挽電路。
3.3 OTL 功率放大器
目前廣泛應用的無變壓器乙類推挽放大器,簡稱 OTL 電路,是一種性能很好的功率放大器。為了易于說明,先介紹一個有輸入變壓器沒有輸出變壓器的 OTL 電路,如下圖所示。

4. 直流放大器
能夠放大直流信號或變化很緩慢的信號的電路稱為直流放大電路或直流放大器。測量和控制方面常用到這種放大器。
4.1 雙管直耦放大器
直流放大器不能用 RC 耦合或變壓器耦合,只能用直接耦合方式。下圖是一個兩級直耦放大器。直耦方式會帶來前后級工作點的相互牽制,電路中在 VT2 的發射極加電阻 R E 以提高后級發射極電位來解決前后級的牽制。
直流放大器的另一個更重要的問題是零點漂移。所謂零點漂移是指放大器在沒有輸入信號時,由于工作點不穩定引起靜 態電位緩慢地變化,這種變化被逐級放大,使輸出端產生虛假信號。放大器級數越多,零點漂移越嚴重。所以這種雙管直耦放大器只能用于要求不高的場合。

4.2 差分放大器
解決零點漂移的辦法是采用差分放大器,下圖是應用較廣的射極耦合差分放大器。它使用雙電源,其中 VT1 和 VT2 的特性相同,兩組電阻數值也相同, R E 有負反饋作用。實際上這是一個橋形電路,兩個 R C 和兩個管子是四個橋臂,輸出電壓 V 0 從電橋的對角線上取出。沒有輸入信號時,因為 RC1=RC2 和兩管特性相同,所以電橋是平衡的,輸出是零。由于是接成橋形,零點漂移也很小。差分放大器有良好的穩定性,因此得到廣泛的應用。

5. 集成運算放大器
集成運算放大器是一種把多級直流放大器做在一個集成片上,只要在外部接少量元件就能完成各種功能的器件。因為它早期是用在模擬計算機中做加法器、乘法器用的,所以叫做運算放大器。
6. 振蕩器
不需要外加信號就能自動地把直流電能轉換成具有一定振幅和一定頻率的交流信號的電路就稱為振蕩電路或振蕩器。這種現象也叫做自激振蕩。或者說,能夠產生交流信號的電路就叫做振蕩電路。
一個振蕩器必須包括三部分:放大器、正反饋電路和選頻網絡。放大器能對振蕩器輸入端所加的輸入信號予以放大使輸出信號保持恒定的數值。正反饋電路保證向振蕩器輸入端提供的反饋信號是相位相同的,只有這樣才能使振蕩維持下去。選頻網絡則只允許某個特定頻率f0能通過,使振蕩器產生單一頻率的輸出。
振蕩器能不能振蕩起來并維持穩定的輸出是由以下兩個條件決定的;一個是反饋電壓Uf和輸入電壓 Ui要相等,這是振幅平衡條件。二是 Uf 和 Ui 必須相位相同,這是相位平衡條件,也就是說必須保證是正反饋。一般情況下,振幅平衡條件往往容易做到,所以在判斷一個振蕩電路能否振蕩,主要是看它的相位平衡條件是否成立。
振蕩器按振蕩頻率的高低可分成超低頻( 20赫以下)、低頻( 20赫~ 200千赫)、高頻(200千赫~ 30兆赫)和超高頻( 10兆赫~ 350兆赫)等幾種。按振蕩波形可分成正弦波振蕩和非正弦波振蕩兩類。
正弦波振蕩器按照選頻網絡所用的元件可以分成 LC 振蕩器、 RC振蕩器和石英晶體振蕩器三種。石英晶體振蕩器有很高的頻率穩定度,只在要求很高的場合使用。在一般家用電器中,大量使用著各種 LC振蕩器和 RC 振蕩器。
6.1 LC振蕩器
LC 振蕩器的選頻網絡是LC 諧振電路。它們的振蕩頻率都比較高,常見電路有 3 種。
1) 變壓器反饋 LC 振蕩電路

圖(a)是變壓器反饋 LC 振蕩電路。晶體管 VT 是共發射極放大器。變壓器 T 的初級是起選頻作用的 LC 諧振電路,變壓器 T 的次級向放大器輸入提供正反饋信號。接通電源時, LC 回路中出現微弱的瞬變電流,但是只有頻率和回路諧振頻率 f 0 相同的電流才能在回路兩端產生較高的電壓,這個電壓通過變壓器初次級 L1 、 L2 的耦合又送回到晶體管 V 的基極。從圖(b)看到,只要接法沒有錯誤,這個反饋信號電壓是和輸入信號電壓相位相同的,也就是說,它是正反饋。因此電路的振蕩迅速加強并最后穩定下來。
變壓器反饋 LC 振蕩電路的特點是:頻率范圍寬、容易起振,但頻率穩定度不高。它的振蕩頻率是: f 0 =1/2π LC 。常用于產生幾十千赫到幾十兆赫的正弦波信號。
2) 電感三點式振蕩電路
圖(a)是另一種常用的電感三點式振蕩電路。圖中電感 L1 、 L2 和電容 C 組成起選頻作用的諧振電路。從 L2 上取出反饋電壓加到晶體管 VT 的基極。從圖(b)看到,晶體管的輸入電壓和反饋電壓是同相的,滿足相位平衡條件的,因此電路能起振。由于晶體管的 3 個極是分別接在電感的 3 個點上的,因此被稱為電感三點式振蕩電路。

電感三點式振蕩電路的特點是:頻率范圍寬、容易起振,但輸出含有較多高次調波,波形較差。它的振蕩頻率是: f 0 =1/2π LC ,其中 L=L1 + L2 + 2M 。常用于產生幾十兆赫以下的正弦波信號。
3) 電容三點式振蕩電路

還有一種常用的振蕩電路是電容三點式振蕩電路,見圖(a)。圖中電感 L 和電容 C1 、 C2 組成起選頻作用的諧振電路,從電容 C2 上取出反饋電壓加到晶體管 VT 的基極。從圖(b)看到,晶體管的輸入電壓和反饋電壓同相,滿足相位平衡條件,因此電路能起振。由于電路中晶體管的 3 個極分別接在電容 C1 、 C2 的 3 個點上,因此被稱為電容三點式振蕩電路。
電容三點式振蕩電路的特點是:頻率穩定度較高,輸出波形好,頻率可以高達 100 兆赫以上,但頻率調節范圍較小,因此適合于作固定頻率的振蕩器。它的振蕩頻率是: f 0 =1/2π LC ,其中 C= C 1 +C 2 。
上面 3 種振蕩電路中的放大器都是用的共發射極電路。共發射極接法的振蕩器增益較高,容易起振。也可以把振蕩電路中的放大器接成共基極電路形式。共基極接法的振蕩器振蕩頻率比較高,而且頻率穩定性好。
6.2 RC 振蕩器
RC 振蕩器的選頻網絡是 RC 電路,它們的振蕩頻率比較低。常用的電路有兩種。
1) RC 相移振蕩電路

RC 相移振蕩電路的特點是:電路簡單、經濟,但穩定性不高,而且調節不方便。一般都用作固定頻率振蕩器和要求不太高的場合。它的振蕩頻率是:當 3 節 RC 網絡的參數相同時: f 0 = 1 2π 6RC 。頻率一般為幾十千赫。
2) RC 橋式振蕩電路

RC 橋式振蕩電路的性能比 RC 相移振蕩電路好。它的穩定性高、非線性失真小,頻率調節方便。它的振蕩頻率是:當 R1=R2=R 、 C1=C2=C 時 f 0 = 1 2πRC 。它的頻率范圍從 1 赫~ 1 兆赫。
7. 調幅和檢波電路
廣播和無線電通信是利用調制技術把低頻聲音信號加到高頻信號上發射出去的。在接收機中還原的過程叫解調。其中低頻信號叫做調制信號,高頻信號則叫載波。常見的連續波調制方法有調幅和調頻兩種,對應的解調方法就叫檢波和鑒頻。
7.1 調幅電路
調幅是使載波信號的幅度隨著調制信號的幅度變化,載波的頻率和相位不變。能夠完成調幅功能的電路就叫調幅電路或調幅器。
調幅是一個非線性頻率變換過程,所以它的關鍵是必須使用二極管、三極管等非線性器件。根據調制過程在哪個回路里進行可以把三極管調幅電路分成集電極調幅、基極調幅和發射極調幅 3 種。下面舉集電極調幅電路為例。

上圖是集電極調幅電路,由高頻載波振蕩器產生的等幅載波經 T1 加到晶體管基極。低頻調制信號則通過 T3 耦合到集電極中。 C1 、 C2 、 C3 是高頻旁路電容, R1 、 R2 是偏置電阻。集電極的 LC 并聯回路諧振在載波頻率上。如果把三極管的靜態工作點選在特性曲線的彎曲部分,三極管就是一個非線性器件。因為晶體管的集電極電流是隨著調制電壓變化的, 所以集電極中的 2 個信號就因非線性作用而實現了調幅。由于 LC 諧振回路是調諧在載波的基頻上,因此在 T2 的次級就可得到調幅波輸出。
7.2 檢波電路
檢波電路或檢波器的作用是從調幅波中取出低頻信號。它的工作過程正好和調幅相反。檢波過程也是一個頻率變換過程,也要使用非線性元器件。常用的有二極管和三極管。另外為了取出低頻有用信號,還必須使用濾波器濾除高頻分量,所以檢波電路通常包含非線性元器件和濾波器兩部分。下面舉二極管檢波器為例說明它的工作原理。

上圖是一個二極管檢波電路。 VD 是檢波元件, C 和 R 是低通濾波器。當輸入的已調波信號較大時,二極管 VD 是斷續工作的。正半周時,二極管導通,對 C 充電;負半周和輸入電壓較小時,二極管截止, C 對 R 放電。在 R 兩端得到的電壓包含的頻率成分很多,經過電容 C 濾除了高頻部分,再經過隔直流電容 C0 的隔直流作用,在輸出端就可得到還原的低頻信號。
8. 調頻和鑒頻電路
調頻是使載波頻率隨調制信號的幅度變化,而振幅則保持不變。鑒頻則是從調頻波中解調出原來的低頻信號,它的過程和調頻正好相反。
8.1 調頻電路
能夠完成調頻功能的電路就叫調頻器或調頻電路。常用的調頻方法是直接調頻法,也就是用調制信號直接改變載波振蕩器頻率的方法。下圖畫出了它的大意,圖中用一個可變電抗元件并聯在諧振回路上。用低頻調制信號控制可變電抗元件參數的變化,使載波振蕩器的頻率發生變化。

8.2 鑒頻電路
能夠完成鑒頻功能的電路叫鑒頻器或鑒頻電路,有時也叫頻率檢波器。鑒頻的方法通常分二步,第一步先將等幅的調頻波變成幅度隨頻率變化的調頻 — 調幅波,第二步再用一般的檢波器檢出幅度變化,還原成低頻信號。常用的鑒頻器有相位鑒頻器、比例鑒頻器等。


返回頂部
刷新頁面
下到頁底