西門子plc控制噴泉系統梯形圖與控制語句表
一、控制要求及I/O分配
1、控制要求
隔燈閃爍:L1亮0.5秒后滅,接著L2亮0.5秒后滅,接著L3亮0.5秒后滅,接著L4亮0.5秒后滅,接著L5、L9亮0.5秒后滅,接著L6、L10亮0.5秒后滅,接著L7、L11亮0.5秒后滅,接著L8、L12亮0.5秒后滅,L1亮0.5秒后滅,如此循環。
2、I/O分配
輸入 輸出
起動按鈕:I0.0 L1:Q0.0 L5、L9: Q0.4
停止按鈕:I0.1 L2:Q0.1 L6、L10:Q0.5
L3:Q0.2 L7、L11:Q0.6
L4:Q0.3 L8、L12:Q0.7
圖1-1 噴泉控制示意圖
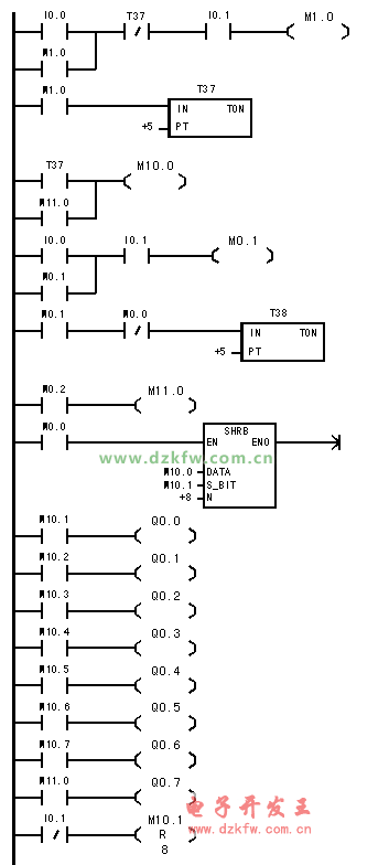
三、噴泉控制語句表
四、噴泉控制梯形圖


返回頂部
刷新頁面
下到頁底