1.定律內容:
在任一時刻,對任一結點,流入結點的電流之和恒等于流出該結點的電流之和。即
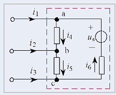
如圖所示:

:
:
由結點a的KCL方程:
我們可以得到基爾霍夫電流定律的另一種描述:
對任一結點,結點電流代數和等于零,即
存在“+-”號問題,若規定流入結點電流為+,則流出為-;若規定流出為+,則流入為-。
KCL實質上反映了支路電流間的關系,揭示了在任一結點上電荷的守恒,即電荷在結點上既沒有消失,也沒有積累。
2.廣義KCL
KCL不僅適用于單個結點,也可推廣應用于一個閉合面(又稱廣義結點)。
對圖中的虛線所示閉合面,共有3條支路與其相連,對應的支路電流分別為

:
:
:
由上述3個方程,我們可以得出:
可見,對于圖中虛線所示的閉合面,如果把它看作一個結點(廣義結點),它也滿足KCL定律,和它相連的3條支路的支路電流的代數和為0。
:任一時刻,通過任意一個封閉面的電流的代數和等于零。
即:這個封閉面可以看成是一個廣義大結點,有


返回頂部
刷新頁面
下到頁底