背景知識

網孔電流法:網孔分析法是電路基本分析方法的一種,以網孔電流為待求變量,按KVL建立方程求解電路的方法。一般對于M個網孔,自電阻×本網孔電流 + ∑(±)互電阻×相鄰網孔電流 =∑本網孔中電壓升。
超網孔分析法的實質是:以網孔電流為變量,選擇獨立回路列寫KVL方程。在此,所選擇的獨立回路是電路的網孔。在這種情況下,若構成該網孔的支路含有電流源,則必須引入未知電壓u。如果在列寫KVL方程時,選擇避開電流源支路的回路,則可以不引入未知電壓u,該回路被稱為超網孔。
基爾霍夫電流定律也稱為節點電流定律,于1845年由德國物理學家G.R.基爾霍夫(Gustav Robert Kirchhoff,1824~1887)提出,內容是電路中任一個節點上,在任一時刻,流入節點的電流之和等于流出節點的電流之和。(又簡寫為KCL)
今日問題

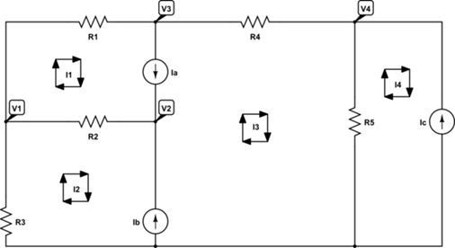
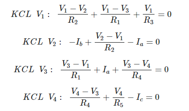
其中電壓節點已經標出來了,選取的網孔電流流向也畫出來了。然后就是列公式了。

在我看來上面的公式列的應該是沒錯。我的下一個問題就是怎么得到網孔電流的等式,列不出來的原因是Ia和Ib兩個組成的超網孔,有這兩個在的話我不知道該如何得到網孔電流等式。


返回頂部
刷新頁面
下到頁底